展示会出展のご案内
SOLIDWORKS WORLD JAPAN 2016【東京・大阪】
展示会出展のご案内
SOLIDWORKS WORLD JAPAN 2016【東京・大阪】
拝啓
日頃より弊社製品をご愛顧賜り御礼申し上げます。
お客様におかれましてはますますご健勝のこととお慶び申し上げます。
機械設計が専門のエンジニアでも、的確な配線ルートが作れる「エンタープライズハーネス」は、
自動作図機能がさらに進化しました。
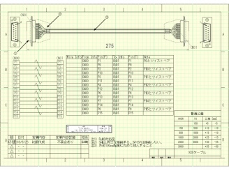
エンタープライズハーネスにて作図した立体配線図から、実際のハーネス製作図面となる2Dの
「ケーブルアセンブリ図」まで自動作図が可能となります。
つきましては、2016年11月に開催されるSOLIDWORKS WORLD JAPAN 2016【東京・大阪】に
新機能を出展致しますので、いち早く新機能を体験していただきたく存じます。
弊社はこれからも3次元ハーネス設計を通じてお客様のものづくりに貢献致します。
今後ともご支援賜りますようお願い申し上げます。
敬具
新機能概要
現在リリースされているエンタープライズレイアウトオプションでは、3Dハーネスモデルからハーネス製造図面の自動作成が可能です。
今回、エンタープライズレイアウトに新たに「ケーブルアセンブリ図出力機能」が追加されました。
この新機能より、ケーブル製造に必要なハーネス製造図面だけでなく、各種ケーブル製造図面も自動生成することができ、図面作成にかかる工数を大幅に削減できます。
SOLIDWORKS WORLD JAPAN 2016 開催概要
東京会場
日時: 2016年11月8日(火) 9:00~18:00
場所: セルリアンタワー東急ホテル≪渋谷≫
〒150-8512 東京都渋谷区桜丘町26-1
TEL:03-3476-3000(代表)
電車でのアクセス
【東急東横線・田園都市線、京王井の頭線、JR山手線・埼京線、東京メトロ銀座線・半蔵門線・副都心線】
「渋谷駅」渋谷駅西口 歩道橋渡り 国道246号沿い
徒歩5分/渋谷マークシティより徒歩5分
大阪会場
日時: 2016年11月11日(金) 9:00~18:00
場所: 大阪ハービスホール≪梅田≫
〒530-0001 大阪市北区梅田2-5-25 ハービスOSAKA B2F
TEL:06-6343-7800 / FAX:06-6343-7750
各ターミナルとも地下で連絡
【阪神梅田駅(西改札)】徒歩約 6分
【JR大阪駅(桜橋口)】徒歩約 7分
【JR東西線北新地駅(西改札)】徒歩約 10分
【地下鉄四つ橋線西梅田駅(北改札)】徒歩約 6分
【地下鉄御堂筋線梅田駅(南改札)】徒歩約 10分
【地下鉄谷町線東梅田駅(北改札)】徒歩約 10分
【阪急梅田駅】徒歩約 15分







